“GO OFF” MARVIN
The purpose of this project was to apply the skills I learned in physical computation to create an interactive project. I decided to create an interactive sky dancer, Marvin.
Marvin was designed to have a dance off with the user. Unlike a traditional air dancer Marvin reacts to different gestures. Using a gesture sensor and PWM for the blower I was able to adjust Marvin’s air speed to change in correspondence to specific gestures. By simply moving your hand forward, backward, up, down, left or right you get a new “dance move” out of Marvin to create a dance battle effect. This project was created as a toy that could interact and dance with the user, it was inspired by the internet trend of people dancing in parking lots with air dancers.
PROJECT SUMMARY
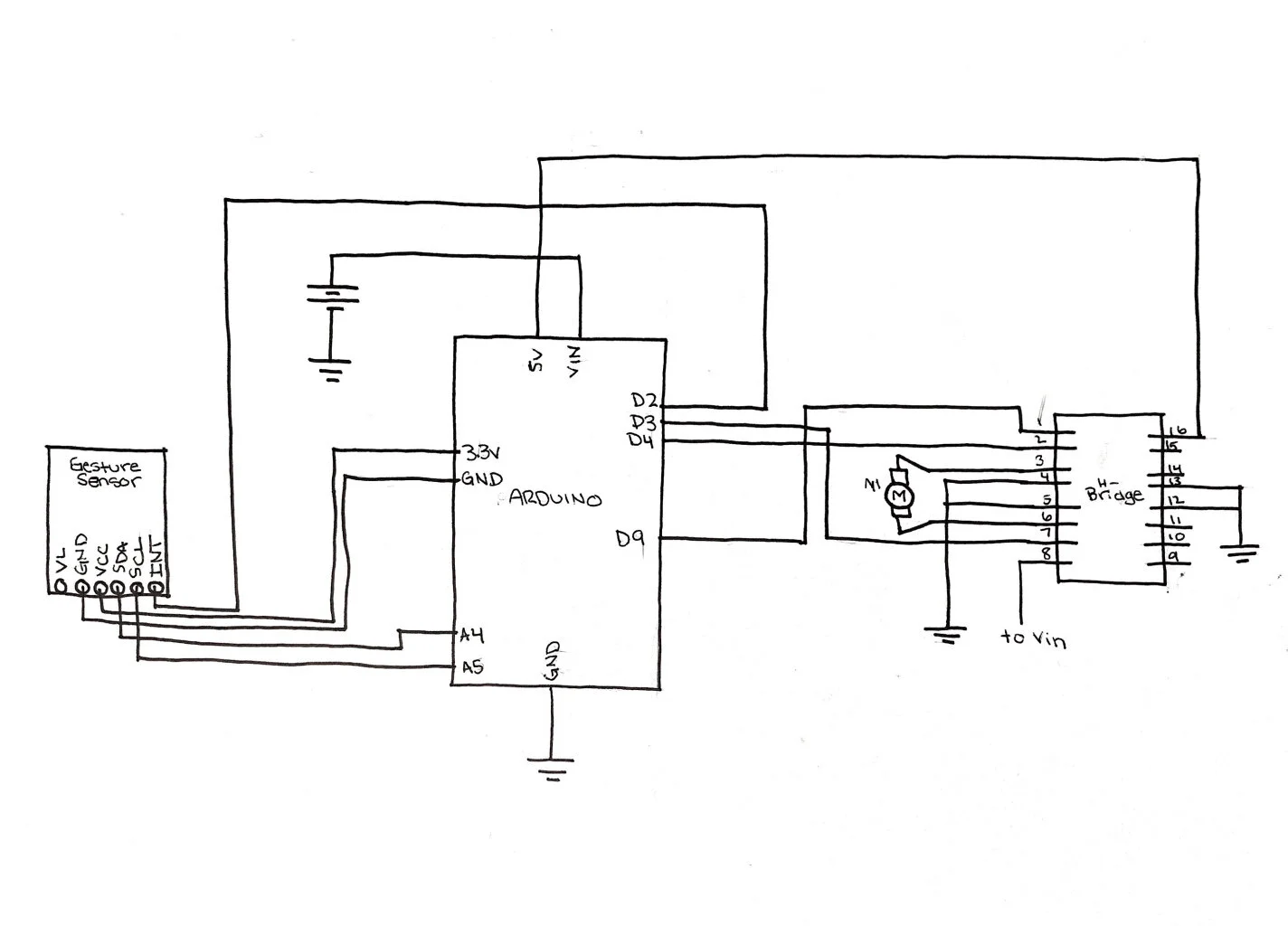
The air dancer is inflated using a squirrel cage blower from SparkFun which can take inputs and output various amounts of air flow (up to 3500 rpm). By varying the amount of air circulating through the air dancer, I was able to make it look as if the air dancer was dancing more or less intensely. I configured the blower so that whenever a gesture occurs, a correlating amount of air flow will occur via pulse width modulation. By varying the pulse width modulation values, I was able to change the amount of voltage the blower was receiving which then affected the overall amount of air flow being output. The second interaction diagram below displays the specific PWM values associated to each gesture.
INTERACTION DESIGNS
CIRCUIT SCHEMATIC
FINAL PRODUCT
DEMO VIDEO
CODE
Check out the code that powers Marvin!
